Venta al por mayor Depurador húmedo de placa ciclónica

  • Depurador húmedo de placa ciclónica

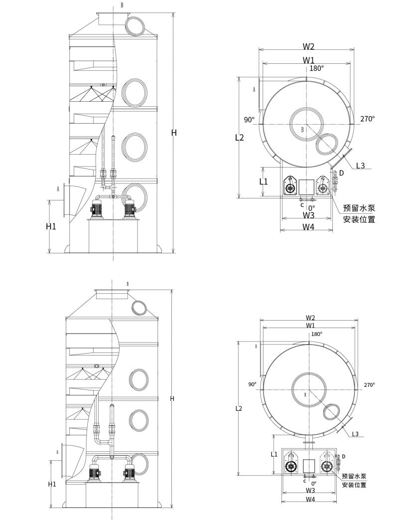
Depurador húmedo de placa ciclónica

La torre depuradora ciclónica normalmente presenta un cuerpo de torre cilíndrico equipado con placas deflectoras en espiral. Durante el funcionamiento, los gases de combustión entran tangencialmente desde la parte inferior de la torre y fluyen hacia arriba. Guiado por las aspas de las placas deflectoras, el gas gira en espiral hacia arriba, atomizando el líquido que fluye por las placas en finas gotas. Esto crea una gran área de contacto gas-líquido. Las gotas son transportadas por la corriente de gas y giran, generando una fuerza centrífuga que mejora la interacción gas-líquido. Finalmente, las gotas se arrojan sobre la pared de la torre, fluyen hacia abajo a lo largo de la pared hasta la siguiente placa deflectora y la corriente de gas las vuelve a atomizar para un mayor contacto. Como se describe, el líquido logra un contacto completo con el gas mientras mantiene una separación efectiva, minimizando el arrastre de niebla. La capacidad de carga de gas-líquido de este sistema es más del doble que la de las placas deflectoras convencionales.

Las excelentes condiciones de contacto gas-líquido de la torre garantizan una absorción eficiente de los gases residuales por parte de los líquidos alcalinos. Además, la torre depuradora ciclónica demuestra un rendimiento superior en eliminación de polvo. Las partículas de polvo en el gas son capturadas por la niebla de agua en las placas deflectoras en espiral, y las partículas y gotas arrojadas a la pared de la torre por la fuerza centrífuga también se eliminan de manera efectiva. Como resultado, el gas que sale de la torre transporta una cantidad mínima de polvo y gotas. La velocidad del viento de la torre vacía oscila entre 2,2 y 2,7 ​​m/s.

Estructura de torre de pulverización en forma de remolino:
Como se muestra en la figura: El sistema completo de fregado por aspersión incluye los siguientes componentes:

● Cuerpo de la torre fabricado con láminas de PP (polipropileno);

● Estructura construida con deflectores en espiral de PP;

● Tubos de conexión de spray de UPVC (cloruro de polivinilo no plastificado);

● boquillas en espiral de PP;

● Bomba de circulación de PP resistente a la corrosión;

● Capa antivaho (tipo malla/ciclón/deflector);

● Dispositivos de reabastecimiento de agua manuales y automáticos;

● Tuberías de rebosadero y drenaje;

● Ventana de inspección.

Parámetros de selección de la torre de placas ciclónicas:
Para garantizar la comodidad y seguridad del transporte, las torres depuradoras ciclónicas de PP se dividen en dos categorías de especificaciones:

Tipo 1: Depurador ciclónico con tanque de agua integrado (diámetro de la torre: Φ1000 mm-Φ2200 mm)

Tipo 2: Depurador ciclónico con tanque de agua de tipo dividido (diámetro de la torre: Φ2500 mm-Φ3500 mm)


modeloos de torre depuradora ciclónica correspondientes a la capacidad de caudal de aire:

Model Rango de volumen de aire Tamaño del dispositivo Potencia de la bomba de agua Número de palas giratorias Rango de velocidad del viento Material del equipo
XL-600 0-2800 m³/h Φ600×2950 0,75 kw 2 0-2,76 m/s PP/304/Q235/FRP
XL-800 3800-5000 m³/h Φ800×3300 0,75 kw 2 2,11-2,77 m/s PP/304/Q235/FRP
XL-1000 6000-7500 m³/h Φ1000×4380 1,5 kw 2 2,13-2,66 m/s PP/304/Q235/FRP
XL-1200 8500-11000 m³/h Φ1200×4430 2,2 kw 2 2,09-2,71 m/s PP/304/Q235/FRP
XL-1500 14000-17000m³/h Φ1500×5000 3,75 kw 2 2,2-2,68 m/s PP/304/Q235/FRP
XL-1800 20000-25000m³/h Φ1800×5650 5,5 kw 2 2,19-2,73 m/s PP/304/Q235/FRP
XL-2000 25001-30000m³/h Φ2000×6200 5,5 kw 2 2,21-2,66 m/s PP/304/Q235/FRP
XL-2200 30001-37000m³/h Φ2200×6700 7,5 kw 2 2,19-2,71 m/s PP/304/Q235/FRP
XL-2500 40000-47000m³/h Φ2500×6850 7,5 kw 2 2,27-2,66 m/s PP/304/Q235/FRP
XL-2800 49000-58000m³/h Φ2800×7900 11kw 2 2,21-2,62 m/s PP/304/Q235/FRP
XL-3000 58000-68000m³/h Φ3000×8000 11kw 2 2,28-2,67 m/s PP/304/Q235/FRP
XL-3200 68000-78000m³/h Φ3200×8000 15kw 2 2,35-2,7 m/s PP/304/Q235/FRP
XL-3500 78000-88000m³/h Φ3500×8000 15kw 2 2,25-2,54 m/s PP/304/Q235/FRP

Nota: Se pueden realizar diseños no estándar según los requisitos del cliente.

Diagrama de selección:

Hangzhou Lvran Environmental Protection Group Co., Ltd.

  • 1000+

    Clientes de la unidad de servicio

  • 2000+

    Casos Nacionales de Ingeniería

Hangzhou Lvran Environmental Protection Group Co., Ltd. es un proveedor integral de servicios de ingeniería de sistemas de tratamiento de gases residuales y fabricante de equipos, que integra investigación y desarrollo, servicios técnicos, diseño, producción, instalación de ingeniería y servicio posventa.

We are China Depurador húmedo de placa ciclónica Suppliers and Wholesale Depurador húmedo de placa ciclónica Exporter, Company. El Grupo es una empresa nacional de alta tecnología, una empresa de ciencia y tecnología de la provincia de Zhejiang, un centro regional de I+D y una unidad de crédito con calificación AAA. Posee más de 30 patentes de modelos de utilidad, numerosas patentes de invención y derechos de autor de software. El Grupo mantiene colaboraciones técnicas de I+D de larga data con universidades e instituciones nacionales, incluido el "Centro de I+D de Innovación Ambiental" establecido con la Universidad de Ciencia y Tecnología de Anhui y el "Centro de I+D de Nuevas Tecnologías Ambientales y Energía Plasma" desarrollado conjuntamente con la Universidad de Ciencia y Tecnología de Zhejiang. El Grupo ha establecido su propia base de I+D y producción para una colaboración técnica profunda. El Grupo posee tecnología básica de tratamiento de gases COV, posee una calificación de contratación general de Nivel 2 para la construcción de obras públicas municipales, una licencia de producción segura, una calificación de diseño especial Clase B para el control de la contaminación ambiental en la provincia de Zhejiang, calificaciones de servicios laborales no clasificados y contratación especializada para proyectos especiales. El Grupo está certificado con ISO9001 de calidad internacional, ISO14001 de gestión medioambiental e ISO45001 de seguridad y salud en el trabajo.

HONOR Y CERTIFICADO

Los siguientes honores representan nuestra brillantez. Ganamos clientes con productos de alta calidad y obtenemos grandes elogios del mercado y de todos los ámbitos de la vida con buenos servicios.

  • Una unidad básica y un reactor de alto campo eléctrico tipo placa para evitar fugas a lo largo de la superficie.
  • Un dispositivo de reacción para sintetizar metanol usando dióxido de carbono y agua y un método para sintetizar metanol usando dióxido de carbono y agua.
  • Precipitador electrostático autolimpiante
  • Un ventilador de alta presión resistente a la corrosión con función de ajuste de la dirección del viento
  • Un ventilador regulable y autolimpiante de gran capacidad
  • Sistema de control de pretratamiento de gases de escape con gasificación catalítica combinada
  • Sistema de tratamiento y purificación de gases de escape de campo electrostático continuo con limpieza a vapor
  • Sistema de equipo de purificación de gases de escape de fotólisis UV de plasma de baja temperatura
  • Certificado de registro de marca
Noticias y eventos recientes
compartir contigo
Ver más noticias