Venta al por mayor Depurador químico

  • Depurador químico

Depurador químico

El depurador químico es un filtro de depuración avanzado. Utiliza una estructura especial y una gran superficie específica de empaque regular como empaque de transferencia de masa y deshidratación. Al mismo tiempo, según los diferentes componentes que causan el olor, el ácido, álcali y oxidante correspondientes se utilizan como líquido de lavado de absorción para eliminar el olor en el espacio y eliminar el impacto en el entorno circundante.

El flujo de aire oloroso se transporta a través del conducto de aire y entra a la torre desde la entrada de la torre. Después de ingresar a la torre, pasa a través de la capa de empaque de abajo hacia arriba y finalmente se descarga desde la salida de la tubería superior de la torre a través del ventilador anticorrosión. La solución neutralizante pasa a través del separador de líquido en la parte superior de la torre, se rocía uniformemente en la capa de empaque, fluye hacia abajo a lo largo de la superficie de la capa de empaque hasta que se descarga desde la parte inferior de la torre a través de la tubería y circula mediante la bomba de circulación anticorrosión. A medida que la concentración de solutos en el flujo de aire ascendente disminuye cada vez más, la función de purificación se logra cuando llega a la parte superior de la torre y se descarga o continúa purificándose en el siguiente paso. Por el contrario, la concentración del medio en el líquido descendente aumenta cada vez más y alcanza las condiciones del proceso cuando llega al fondo de la torre y se descarga de la torre.

Ventajas de la torre de envasado por aspersión: Tiene alta eficiencia, pequeña capacidad de retención de líquidos, peso liviano y fácil operación, lo que permite a los trabajadores comenzar a trabajar de inmediato. El relleno se puede seleccionar según las condiciones de trabajo proporcionadas por el cliente. Hay muchos tipos y generalmente se utilizan anillos de bolas resistentes a la corrosión. Sin embargo, cabe señalar que la materia sólida en suspensión puede obstruir el relleno debido al gran diámetro de sus partículas, por lo que generalmente no es adecuado para el tratamiento de materia sólida. Por ejemplo, NH₃, HCl, H₂S, óxidos de nitrógeno y gases residuales orgánicos generados por las fábricas se pueden tratar eficazmente con este equipo.

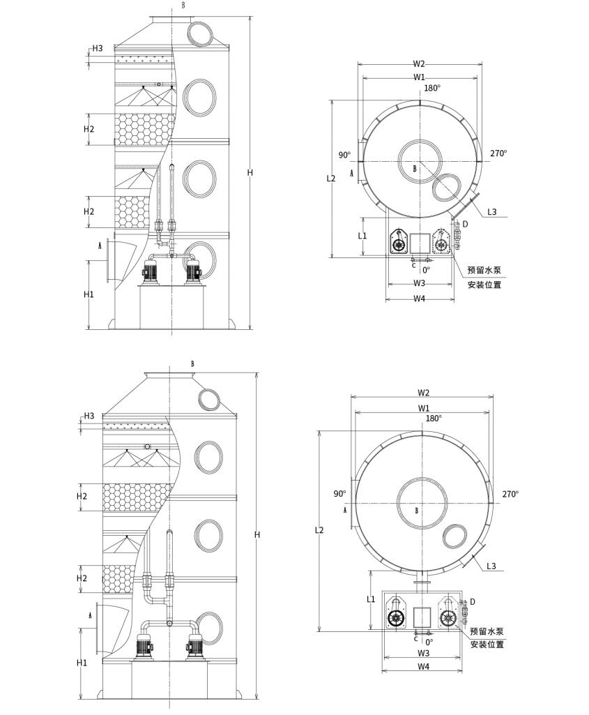
Estructura del depurador químico:
Como se muestra en la figura: El sistema completo de fregado por aspersión incluye los siguientes componentes:

1. El cuerpo de la torre fabricado con láminas de PP (polipropileno);

2. Marco de soporte de embalaje fabricado con paneles de rejilla de PP;

3. Tuberías de conexión de spray hechas de UPVC;

4. Boquillas en espiral de PP;

5. Embalaje de bola hueca o anillo Pall;

6. Bomba de circulación de PP resistente a la corrosión;

7. Capa antivaho de malla;

8. Dispositivos de reposición de agua manuales y automáticos;

9. Tuberías de rebosadero y drenaje;

10. Ventana de inspección.

Selección de depuradores químicos:
Tabla de parámetros técnicos de la depuradora por aspersión empaquetada

Para garantizar la comodidad y seguridad del transporte, las fregadoras por aspersión empaquetadas en PP se dividen en dos tipos:

Tipo 1: Depuradora por aspersión integrada con tanque de agua (diámetro de la torre: Φ1000 mm-Φ2200 mm)

Tipo 2: Depuradora por aspersión con tanque de agua de tipo dividido (diámetro de la torre: Φ2500 mm-Φ3500 mm)


Especificaciones del modelo correspondientes a la capacidad de flujo de aire:

modelo Volumen de aire Tamaño del dispositivo Potencia de la bomba de agua Espesor de relleno Velocidad del viento Material del equipo
LRTL-600 0-1500 m³/h Φ600x3000 0,75 kw 500*2 1,48 m/s PP/304/Q235/FRP
LRTL-800 1501-2500 m³/h Φ800x3000 0,75 kw 500*2 1,39 m/s PP/304/Q235/FRP
LRTL-1000 2501-4000 m³/h Φ1000x5000 1,5 kw 500*2 1,42 m/s PP/304/Q235/FRP
LRTL-1200 4001-6000 m³/h Φ1200x5000 2,2 kw 500*2 1,48 m/s PP/304/Q235/FRP
LRTL-1500 6001-9500 m³/h Φ1500x5000 3,75 kw 500*2 1,5 m/s PP/304/Q235/FRP
LRTL-1800 9501-14000m³/h Φ1800x5000 5,5 kw 500*2 1,53 m/s PP/304/Q235/FRP
LRTL-2000 14001-17000m³/h Φ2000x6000 5,5 kw 500*2 1,5 m/s PP/304/Q235/FRP
LRTL-2200 17001-20000m³/h Φ2200x6000 7,5 kw 500*2 1,46 m/s PP/304/Q235/FRP
LRTL-2500 20001-27000m³/h Φ2500x6000 7,5 kw 500*2 1,53 m/s PP/304/Q235/FRP
LRTL-2800 27001-33000m³/h Φ2800x6000 15kw 500*2 1,49 m/s PP/304/Q235/FRP
LRTL-3000 33001-38000m³/h Φ3000x6800 15kw 500*2 1,49 m/s PP/304/Q235/FRP
LRTL-3200 38001-44000 m³/h Φ3200x6800 15kw 500*2 1,52 m/s PP/304/Q235/FRP
LRTL-3500 44001-55000m³/h Φ3500x6800 15kw 500*2 1,5 m/s PP/304/Q235/FRP

Nota: Los diseños no estándar se pueden personalizar según los requisitos del cliente.

Diagrama de selección:

Hangzhou Lvran Environmental Protection Group Co., Ltd.

  • 1000+

    Clientes de la unidad de servicio

  • 2000+

    Casos Nacionales de Ingeniería

Hangzhou Lvran Environmental Protection Group Co., Ltd. es un proveedor integral de servicios de ingeniería de sistemas de tratamiento de gases residuales y fabricante de equipos, que integra investigación y desarrollo, servicios técnicos, diseño, producción, instalación de ingeniería y servicio posventa.

We are China Depurador químico Suppliers and Wholesale Depurador químico Exporter, Company. El Grupo es una empresa nacional de alta tecnología, una empresa de ciencia y tecnología de la provincia de Zhejiang, un centro regional de I+D y una unidad de crédito con calificación AAA. Posee más de 30 patentes de modelos de utilidad, numerosas patentes de invención y derechos de autor de software. El Grupo mantiene colaboraciones técnicas de I+D de larga data con universidades e instituciones nacionales, incluido el "Centro de I+D de Innovación Ambiental" establecido con la Universidad de Ciencia y Tecnología de Anhui y el "Centro de I+D de Nuevas Tecnologías Ambientales y Energía Plasma" desarrollado conjuntamente con la Universidad de Ciencia y Tecnología de Zhejiang. El Grupo ha establecido su propia base de I+D y producción para una colaboración técnica profunda. El Grupo posee tecnología básica de tratamiento de gases COV, posee una calificación de contratación general de Nivel 2 para la construcción de obras públicas municipales, una licencia de producción segura, una calificación de diseño especial Clase B para el control de la contaminación ambiental en la provincia de Zhejiang, calificaciones de servicios laborales no clasificados y contratación especializada para proyectos especiales. El Grupo está certificado con ISO9001 de calidad internacional, ISO14001 de gestión medioambiental e ISO45001 de seguridad y salud en el trabajo.

HONOR Y CERTIFICADO

Los siguientes honores representan nuestra brillantez. Ganamos clientes con productos de alta calidad y obtenemos grandes elogios del mercado y de todos los ámbitos de la vida con buenos servicios.

  • Una unidad básica y un reactor de alto campo eléctrico tipo placa para evitar fugas a lo largo de la superficie.
  • Un dispositivo de reacción para sintetizar metanol usando dióxido de carbono y agua y un método para sintetizar metanol usando dióxido de carbono y agua.
  • Precipitador electrostático autolimpiante
  • Un ventilador de alta presión resistente a la corrosión con función de ajuste de la dirección del viento
  • Un ventilador regulable y autolimpiante de gran capacidad
  • Sistema de control de pretratamiento de gases de escape con gasificación catalítica combinada
  • Sistema de tratamiento y purificación de gases de escape de campo electrostático continuo con limpieza a vapor
  • Sistema de equipo de purificación de gases de escape de fotólisis UV de plasma de baja temperatura
  • Certificado de registro de marca
Noticias y eventos recientes
compartir contigo
Ver más noticias