Venta al por mayor Torre de pulverización de acero inoxidable 316L

INICIO / PRODUCTO / Equipos de tratamiento de gases residuales ácidos y alcalinos. / 304 torre llena / Torre de pulverización de acero inoxidable 316L
  • Torre de pulverización de acero inoxidable 316L
  • Torre de pulverización de acero inoxidable 316L
  • Torre de pulverización de acero inoxidable 316L
  • Torre de pulverización de acero inoxidable 316L
  • Torre de pulverización de acero inoxidable 316L
  • Torre de pulverización de acero inoxidable 316L

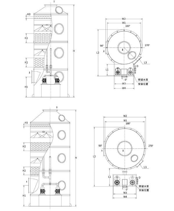
Torre de pulverización de acero inoxidable 316L

Principio de funcionamiento de la torre de pulverización de acero inoxidable 316L y entorno de gas aplicable

I. Principio operativo (igual que el proceso de torre PP/PPH, pero diferentes materiales y condiciones operativas)
1. El gas de escape ingresa a la torre tangencialmente y asciende a través de la sección de ecualización hasta la sección de empaque/pulverización;
2. Las boquillas de 316L en la parte superior de la torre atomizan NaOH, H₂SO₄ u otras soluciones químicas en gotas, que entran en contacto a contracorriente con el gas;
3. Se forma una película líquida en la superficie del anillo Pall 316L o del empaque de anillo escalonado, que elimina los contaminantes mediante absorción, disolución, neutralización o reacciones redox;
4. El gas purificado que contiene gotas continúa a través de una malla de alambre 316L o un deflector deflector, donde se deshidrata y se descarga en condiciones estándar;
5. El líquido residual se recoge en un tanque de circulación de 316 L en la parte inferior de la torre. Luego de la dosificación y filtración automática, es reciclado mediante una bomba de 316L hasta cumplir con los estándares de descarga o subcontratar su tratamiento.

2. Ventajas del material 316L
• Contiene 23 % de Mo, lo que ofrece más de un 30 % más de resistencia a las picaduras y corrosión por grietas de Cl⁻ que el 304;
• Puede soportar un uso prolongado en gases de escape a alta temperatura, entre 80 y 150 °C, sin deformarse ni envejecer;
• Alta resistencia mecánica, capaz de soportar fluctuaciones de presión superiores a ±5 kPa, lo que lo hace adecuado para sistemas de tiro inducido de alta presión.

III. Entornos típicos de gas aplicables
| Industria | Ejemplos de medios gaseosos | Características |
| Química/Farmacéutica | HCl, Cl₂, SO₂, HF, H₂S | Alta concentración, altamente corrosivo, contiene halógenos |
| Galvanoplastia/Decapado | Niebla de ácido crómico, cianuro de hidrógeno, niebla de ácido nítrico | Contiene iones de metales pesados, altamente oxidantes |
| Incineración de Residuos | HCl SO₂ Mezcla de gases HF, precursores de dioxinas | Alta temperatura, alta humedad, composición compleja |
| Metalurgia/Electrónica | NOₓ, amoníaco, silano, fosfina | Polvos que contienen flúor y silicio, así como ácidos y lejías fuertes |
| Laboratorio | Gas de escape mixto ácido-base, vapor de disolvente orgánico | Grandes fluctuaciones de concentración, emisiones intermitentes |

IV. Comparación con la selección de torres PP/PPH
• Temperatura > 60°C o que contenga flúor o iones altos de cloruro → Seleccione 316L;
• Que contengan ácido fluorhídrico o ácido sulfúrico concentrado a alta temperatura → Actualice a 904L o Hastelloy;
• Para proyectos con ácidos y álcalis débiles a temperatura ambiente o sensibles a los costos, elija PP/PPH.

La torre de aspersión de acero inoxidable 316L utiliza un mecanismo de transferencia de masa de empaquetamiento por aspersión a contracorriente, manteniendo una eficiencia de purificación de ≥95 % y una vida útil de más de diez años, incluso en escenarios de gases residuales de alta temperatura, alto contenido de cloro, altamente oxidantes o altamente reductores. Es la opción preferida para el tratamiento de gases residuales corrosivos en industrias como la química, la galvanoplastia y la incineración de residuos.

Selección de depuradores químicos
Tabla de especificaciones técnicas para fregadoras de aspersión empaquetadas
Para mayor comodidad y seguridad en el transporte, las fregadoras por aspersión empaquetadas en PP se clasifican en dos tipos:
Tipo 1: Depurador por aspersión con tanque integrado (diámetro de la torre: Φ1000 mm–Φ2200 mm)
Tipo 2: Depuradora por aspersión con tanque de agua de tipo dividido (diámetro de la torre: Φ2500 mm–Φ3500 mm)
modeloos correspondientes de capacidad de flujo de aire para torres empaquetadas:

Model Capacidad de flujo de aire (m³/h) Dimensiones del equipo Potencia de la bomba Grosor del embalaje Velocidad del viento Material del equipo
LRTL-600 0 - 1500 m³/h Φ600×3000 0,75 kw 500*2 1,48 m/s PP/304/Q235/FRP
LRTL-800 1501 - 2500 m³/h Φ800×3000 0,75 kw 500*2 1,39 m/s PP/304/Q235/FRP
LRTL-1000 2501 - 4000 m³/h Φ1000×5000 1,5 kw 500*2 1,42 m/s PP/304/Q235/FRP
LRTL-1200 4001 - 6000 m³/h Φ1200×5000 2,2 kw 500*2 1,48 m/s PP/304/Q235/FRP
LRTL-1500 6001 - 9500 m³/h Φ1500×5000 3,75 kw 500*2 1,5 m/s PP/304/Q235/FRP
LRTL-1800 9501 - 14000m³/h Φ1800×5000 5,5 kw 500*2 1,53 m/s PP/304/Q235/FRP
LRTL-2000 14001 - 17000m³/h Φ2000×6000 5,5 kw 500*2 1,5 m/s PP/304/Q235/FRP
LRTL-2200 17001 - 20000m³/h Φ2200×6000 7,5 kw 500*2 1,46 m/s PP/304/Q235/FRP
LRTL-2500 20001 - 27000m³/h Φ2500×6000 7,5 kw 500*2 1,53 m/s PP/304/Q235/FRP
LRTL-2800 27001 - 33000m³/h Φ2800×6000 15kw 500*2 1,49 m/s PP/304/Q235/FRP
LRTL-3000 33001 - 38000m³/h Φ3000×6800 15kw 500*2 1,49 m/s PP/304/Q235/FRP
LRTL-3200 38001 - 44000m³/h Φ3200×6800 15kw 500*2 1,52 m/s PP/304/Q235/FRP
LRTL-3500 44001 - 55000m³/h Φ3500×6800 15kw 500*2 1,5 m/s PP/304/Q235/FRP

Nota: Se pueden proporcionar diseños personalizados a pedido del cliente.

Diagrama de selección:

Hangzhou Lvran Environmental Protection Group Co., Ltd.

  • 1000+

    Clientes de la unidad de servicio

  • 2000+

    Casos Nacionales de Ingeniería

Hangzhou Lvran Environmental Protection Group Co., Ltd. es un proveedor integral de servicios de ingeniería de sistemas de tratamiento de gases residuales y fabricante de equipos, que integra investigación y desarrollo, servicios técnicos, diseño, producción, instalación de ingeniería y servicio posventa.

We are China Torre de pulverización de acero inoxidable 316L Suppliers and Wholesale Torre de pulverización de acero inoxidable 316L Exporter, Company. El Grupo es una empresa nacional de alta tecnología, una empresa de ciencia y tecnología de la provincia de Zhejiang, un centro regional de I+D y una unidad de crédito con calificación AAA. Posee más de 30 patentes de modelos de utilidad, numerosas patentes de invención y derechos de autor de software. El Grupo mantiene colaboraciones técnicas de I+D de larga data con universidades e instituciones nacionales, incluido el "Centro de I+D de Innovación Ambiental" establecido con la Universidad de Ciencia y Tecnología de Anhui y el "Centro de I+D de Nuevas Tecnologías Ambientales y Energía Plasma" desarrollado conjuntamente con la Universidad de Ciencia y Tecnología de Zhejiang. El Grupo ha establecido su propia base de I+D y producción para una colaboración técnica profunda. El Grupo posee tecnología básica de tratamiento de gases COV, posee una calificación de contratación general de Nivel 2 para la construcción de obras públicas municipales, una licencia de producción segura, una calificación de diseño especial Clase B para el control de la contaminación ambiental en la provincia de Zhejiang, calificaciones de servicios laborales no clasificados y contratación especializada para proyectos especiales. El Grupo está certificado con ISO9001 de calidad internacional, ISO14001 de gestión medioambiental e ISO45001 de seguridad y salud en el trabajo.

HONOR Y CERTIFICADO

Los siguientes honores representan nuestra brillantez. Ganamos clientes con productos de alta calidad y obtenemos grandes elogios del mercado y de todos los ámbitos de la vida con buenos servicios.

  • Una unidad básica y un reactor de alto campo eléctrico tipo placa para evitar fugas a lo largo de la superficie.
  • Un dispositivo de reacción para sintetizar metanol usando dióxido de carbono y agua y un método para sintetizar metanol usando dióxido de carbono y agua.
  • Precipitador electrostático autolimpiante
  • Un ventilador de alta presión resistente a la corrosión con función de ajuste de la dirección del viento
  • Un ventilador regulable y autolimpiante de gran capacidad
  • Sistema de control de pretratamiento de gases de escape con gasificación catalítica combinada
  • Sistema de tratamiento y purificación de gases de escape de campo electrostático continuo con limpieza a vapor
  • Sistema de equipo de purificación de gases de escape de fotólisis UV de plasma de baja temperatura
  • Certificado de registro de marca
Noticias y eventos recientes
compartir contigo
Ver más noticias